How to Wire an Amplifier to a Subwoofer: Step-by-Step Guide

- Understanding the Basics of Amplifiers and Subwoofers
- Essential Tools and Materials for Wiring Your Amplifier to a Subwoofer
- Step-by-Step Guide: How to Wire an Amplifier to a Subwoofer
- Common Mistakes to Avoid When Wiring an Amplifier to a Subwoofer
- Troubleshooting Tips for Your Amplifier and Subwoofer Setup
Understanding the Basics of Amplifiers and Subwoofers
Amplifiers and subwoofers are essential components in any audio system, whether for home theater setups, car audio, or professional sound reinforcement. Understanding their functions can greatly enhance your listening experience. An amplifier serves as the powerhouse of an audio system, boosting the low-level audio signals from a source device, such as a CD player or smartphone, to a level that can drive speakers effectively. In essence, it increases the volume and clarity of sound, allowing you to enjoy your favorite music or movies without distortion.
On the other hand, a subwoofer is specifically designed to reproduce low-frequency sounds, typically referred to as bass. These frequencies, usually below 200 Hz, are critical for creating a full and immersive audio experience. A subwoofer works in tandem with your main speakers, allowing them to focus on mid and high frequencies while the subwoofer handles the bass. This separation of frequencies not only improves sound quality but also prevents distortion that can occur when speakers are tasked with producing a wide range of sounds.
Key Functions of Amplifiers:
- Signal Boosting: Amplifiers take weak audio signals and increase their power for better sound delivery.
- Dynamic Range: They enhance the dynamic range of audio, allowing for more pronounced differences between soft and loud sounds.
- Impedance Matching: Amplifiers ensure compatibility between the audio source and speakers by matching impedance levels.
Characteristics of Subwoofers:
- Frequency Response: Subwoofers are optimized to reproduce low frequencies, delivering deep bass sounds that enrich the audio experience.
- Size and Power: The size of a subwoofer often correlates with its power and ability to produce lower frequencies effectively.
- Placement: Proper placement of subwoofers can significantly impact the quality of sound, with corner placement often enhancing bass response.
By grasping these basic concepts of amplifiers and subwoofers, you can make informed decisions when setting up or upgrading your audio system. Understanding how these components work together not only improves sound quality but also enhances your overall enjoyment of music, movies, and other audio experiences.
Essential Tools and Materials for Wiring Your Amplifier to a Subwoofer
When it comes to wiring your amplifier to a subwoofer, having the right tools and materials is crucial for achieving optimal sound quality and ensuring a safe installation. First and foremost, you will need a quality amplifier wiring kit. These kits typically include essential components such as power cables, ground wires, RCA cables, and speaker wire, all of which are designed to work together seamlessly. Choosing a wiring kit that matches the power requirements of your amplifier and subwoofer is essential for preventing potential issues during installation.
In addition to a wiring kit, consider investing in a few key hand tools to make the installation process smoother. A wire stripper will allow you to cleanly remove insulation from your wires, ensuring a solid connection. A crimping tool is also invaluable for securely attaching connectors to your wires. Furthermore, a socket set or a ratchet wrench will help you easily tighten or loosen bolts during installation, especially when securing your amplifier to a mounting location.
Its also important to have the right connectors and terminals on hand. Depending on your specific setup, you may need ring terminals, spade connectors, or banana plugs to create a reliable connection between your amplifier and subwoofer. These components ensure that the electrical signals can flow without interruption, which is vital for delivering high-quality audio. Make sure to choose connectors that are compatible with the gauge of your wiring for optimal performance.
Lastly, dont forget about accessories that can enhance your installation experience. Items such as zip ties for organizing cables, electrical tape for insulation, and heat shrink tubing for added protection can make a significant difference. Properly managing your wiring not only helps with aesthetics but also prevents potential interference and damage over time. With these essential tools and materials, you will be well-equipped to wire your amplifier to your subwoofer effectively and efficiently.
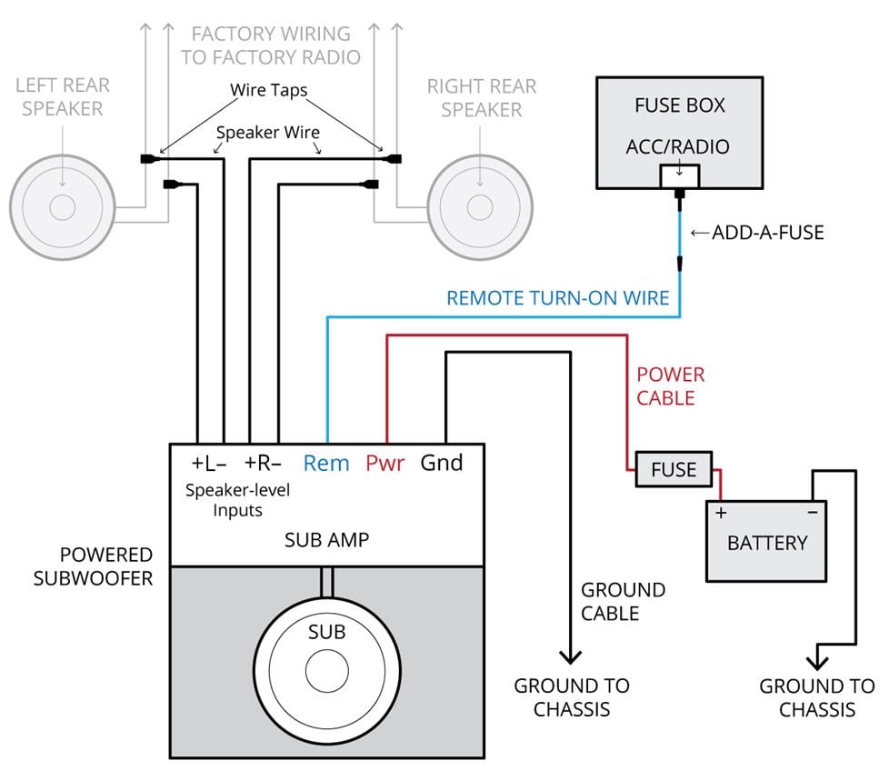
Step-by-Step Guide: How to Wire an Amplifier to a Subwoofer
Wiring an amplifier to a subwoofer may seem daunting at first, but with the right guidance, it can be a straightforward process. Before starting, ensure you have all the necessary tools and components. You will need an amplifier, a subwoofer, speaker wire, RCA cables, and a power supply. This guide will walk you through the steps required to achieve optimal sound performance.
Step 1: Prepare Your Equipment
Begin by placing your amplifier and subwoofer in their desired locations. Make sure to disconnect any power sources before handling the equipment. Gather your speaker wire and RCA cables, ensuring they are of sufficient length to reach between the amplifier and the subwoofer without strain.
Step 2: Connect the Subwoofer to the Amplifier
Using the speaker wire, connect the positive terminal of the amplifier to the positive terminal of the subwoofer, and the negative terminal of the amplifier to the negative terminal of the subwoofer. This is crucial for ensuring that your subwoofer receives the correct signal. If your subwoofer has dual voice coils, make sure to follow the manufacturer’s instructions for wiring.
Step 3: Connect the RCA Cables
Next, you will need to connect the RCA cables from the amplifier to the head unit of your car or audio system. Plug the RCA cables into the “subwoofer out” or “low-level output” on your head unit, and connect the other end to the corresponding input on the amplifier. This will allow the amplifier to receive the audio signal it needs to power the subwoofer effectively.
Step 4: Power Up the System
Once all connections are secure, it’s time to power up your system. Reconnect any power sources and turn on your head unit. Adjust the gain and crossover settings on the amplifier to ensure the subwoofer performs optimally. Test the system by playing music and making any necessary adjustments to achieve the desired sound quality.
Common Mistakes to Avoid When Wiring an Amplifier to a Subwoofer
Wiring an amplifier to a subwoofer can enhance your audio experience, but it’s easy to make mistakes that can compromise sound quality or even damage your equipment. One of the most common errors is using the wrong gauge wire. Insufficient wire gauge can lead to power loss and overheating, ultimately resulting in poor performance or component failure. Always refer to the amplifier and subwoofer specifications to determine the appropriate wire gauge, ensuring optimal power transfer and safety.
Another frequent mistake is neglecting the polarity of the connections. Wiring the subwoofer out of phase can cause a significant drop in bass response, leaving you with a sound that lacks depth and impact. To avoid this, always double-check that the positive and negative terminals on both the amplifier and subwoofer are correctly matched. A simple tip is to use color-coded wires—red for positive and black for negative—to keep track of your connections easily.
Additionally, many people overlook the importance of securing connections properly. Loose or poorly connected wires can lead to intermittent sound issues or complete loss of audio. Make sure to use quality connectors and solder joints, if applicable, and double-check all connections before finalizing your setup. This will not only improve sound quality but also extend the life of your equipment.
Finally, failing to account for the subwoofers impedance can lead to serious problems. Connecting a subwoofer with an incompatible impedance rating to your amplifier can cause the amp to overheat or go into protection mode. Be sure to check both the amplifier’s and subwoofer’s specifications to ensure compatibility. Using an impedance calculator can help you determine the best wiring configuration, especially if you’re working with multiple subwoofers.
Troubleshooting Tips for Your Amplifier and Subwoofer Setup
When dealing with amplifier and subwoofer setups, issues can often arise that hinder performance. One of the first steps in troubleshooting is to check all connections. Ensure that all cables are securely connected, including speaker wires, RCA cables, and power cords. Loose or damaged connections can lead to poor sound quality or no sound at all. If you notice any frayed wires or broken connectors, replacing them can often resolve the issue.
Another common issue is incorrect settings on your amplifier. Make sure that the gain levels, crossover frequency, and phase settings are properly adjusted for your specific subwoofer and speaker configuration. A subwoofer that is out of phase can cause significant sound distortion and a lack of bass response. You can test the phase by switching the phase setting and listening for any changes in sound quality.
Additionally, if you’re experiencing distortion at high volumes, it may be due to overdriving your amplifier. To troubleshoot this, lower the volume levels and gradually increase them to find a sweet spot where the sound remains clear. If distortion persists, consider checking the impedance ratings of your subwoofer and amplifier to ensure they are compatible. Using a subwoofer with an impedance rating that is too low for your amplifier can cause it to overheat or become damaged.
Lastly, if you’re still facing issues, try isolating each component in your setup. Disconnect the subwoofer and listen to the speakers alone to see if the problem lies within the amplifier or the subwoofer itself. This methodical approach can help pinpoint the source of the problem, allowing for a more efficient resolution. If all else fails, consulting the user manuals or reaching out to a professional can provide additional insights and solutions tailored to your specific equipment.

Leave a Reply
You must be logged in to post a comment.